
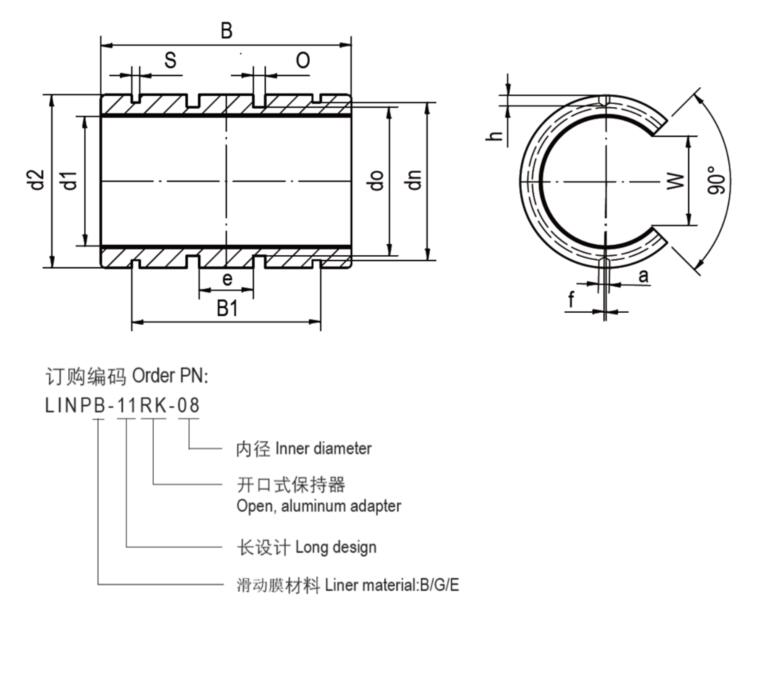
TEFPLAS® B 是综合高承载与耐磨特性的标准材料,适用于硬度HRC35以上钢轴或硬质阳极氧化铝轴;
TEFPLAS® G 出色的耐磨性能,较低的启动摩擦力,适用于硬轴、硬质阳极氧化铝轴;
TEFPLAS® E 符合FDA食品接触安全材料,适用于不锈钢轴或铝轴。
产品编码 | 最大许可动载荷 [N] | 最大许可静载荷 [N] | 重量 | ||||
0° | 90° | 180° | 0° | 90° | 180° | [g] | |
LINPG-11RK-08 | 1600 | 1380 | 500 | 3200 | 2760 | 1000 | 8 |
LINPG-11RK-10 | 2320 | 2000 | 725 | 4640 | 4002 | 1450 | 11 |
LINPG-11RK-12 | 3072 | 2649 | 960 | 6144 | 5299 | 1920 | 15 |
LINPG-11RK-16 | 4608 | 3974 | 1440 | 9216 | 7948 | 2880 | 21 |
LINPG-11RK-20 | 7200 | 6210 | 2250 | 14400 | 12420 | 4500 | 42 |
LINPG-11RK-25 | 11600 | 10005 | 3625 | 23200 | 20010 | 7250 | 70 |
LINPG-11RK-30 | 16320 | 14076 | 5100 | 32640 | 28152 | 10200 | 132 |
| LINPG-11RK-40 | 25600 | 22080 | 8000 | 51200 | 44160 | 16000 | 278 |
| LINPG-11RK-50 | 40000 | 34500 | 12500 | 80000 | 69000 | 25000 | 479 |
●最大比例为2:1
●1x =同轴轴承分离
●2x =从轴到负载或驱动力的距离

●小心:超过2:1比例时会发生爬行甚至卡死的现象!
这个原则与负载无关!这不是由于边缘加载。它也不依赖于使用的驱动力!驱动力与轴承的距离越远,所需驱动力越大,磨损也越大。
可能还有其他因素会增加制动效果,但摩擦系数是主要原因。
●注意:2:1法则是基于理论静摩擦系数0.25,然而,额外的润滑有助于降低摩擦并延长2:1的比例。

1311 次
▊CSB-LIN®塑料直线轴承查询系统V1.0©是包含了LIN塑料直线轴承以及LINP精密直线轴承,系统基于CSB®实验室测试数据以及轴承材料相结合分析计算,您可以先选择需要的轴承类型,通过输入轴承载荷、速度、轴承数量以及相关位置信息等参数进行模拟计算,系统会根据输入参数校核直线轴承类型符合性,输出轴承负载安全性、负载与驱动力位置合理性、运行速度以及系统所需最小驱动力等数据。
▊由于系统基于理论数据模拟计算分析可能存在无法完全符合输入参数,数据校核具有一定的局限性;安装校核2:1法则与最小驱动力校核数据中轴承摩擦系数采用0.25计算。CSB®建议在设备上需再次做测试验证以符合实际使用要求。
▊CSB-LIN®塑料直线轴承查询系统输出结果仅供设计选型参考,不可作为最终轴承符合性判定依据;如有疑问请与CSB®销售工程师联系。

400-6633-096
▊ 汽车行业 销售专员
![]() | 于振飞 |
▊ 工程机械 销售专员
![]() | 朱新宇 |
▊ 轨道交通 销售专员
![]() | 朱 晗 |
▊ 船舶行业 销售专员
![]() | 朱新宇 |
▊ 电梯行业 销售专员
![]() | 高 杰 |
▊ 医疗行业 销售专员
![]() | 朱 晗 |
▊ 光伏光热新能源 销售专员
![]() | 朱 晗 |
▊ 农业机械 销售专员
![]() | 朱 晗 |
▊ 纺织机械 销售专员
![]() | 朱 晗 |
▊ 仓储物流 销售专员
![]() | 高佳楠 |
▊ 工业机械人 销售专员
![]() | 黄风顺 |
▊ 自动售货机 销售专员
![]() | 高佳楠 |
▊ 人形机器人 销售专员
![]() | 高 杰 |
▊ 食品包装 销售专员
![]() | 陶宜坤 |
▊ 制药设备 销售专员
![]() | 陶宜坤 |
▊ 办公设备 销售专员
![]() | 朱新宇 |
▊ 木材加工设备 销售专员
![]() | 黄风顺 |
▊ 机床行业 销售专员
![]() | 黄风顺 |
▊ 玻璃加工设备 销售专员
![]() | 黄风顺 |
▊ 印刷机械 销售专员
![]() | 陶宜坤 |
▊ 轮胎设备 销售专员
![]() | 黄风顺 |
▊ 舞台灯光 销售专员
![]() | 黄顺荣 |
▊ 家具电器 销售专员
![]() | 朱新宇 |
▊ 运动健身器材 销售专员
![]() | 陶宜坤 |
▊ 污水处理设备 销售专员
![]() | 黄风顺 |
▊ 游乐设施 销售专员
![]() | 朱新宇 |
▊ 飞行器 销售专员
![]() | 高 杰 |
▊ 3D打印机 销售专员
![]() | 黄顺荣 |
▊ 半导体设备 销售专员
![]() | 黄风顺 |
▊ 自行车 销售专员
![]() | 朱 晗 |
▊ 经销商 销售专员
![]() | 连奕诚 |
▊ 广东 区域专员
![]() | 黄顺荣 |
▊亚洲
Anna
+86-18357203769
+86-573-84187672
sales02@csb-ep.com
▊欧洲
Belle
+86-13375731199
+86-573-84187009
sales01@csb-ep.com
▊大洋洲
Anna
+86-18357203769
+86-573-84187672
sales02@csb-ep.com
▊北美洲
Belle
+86-13375731199
+86-573-84187009
sales01@csb-ep.com
▊南美洲
Belle
+86-13375731199
+86-573-84187009
sales01@csb-ep.com
▊中东
Anna
+86-18357203769
+86-573-84187672
sales02@csb-ep.com
▊非洲
Anna
+86-18357203769
+86-573-84187672
sales02@csb-ep.com
